Part Number Hot Search : 
AD630A C3855 JWL21RC2 CYW2325 SM150 4AR01 CMRA6035 70023
Product Description
Full Text Search

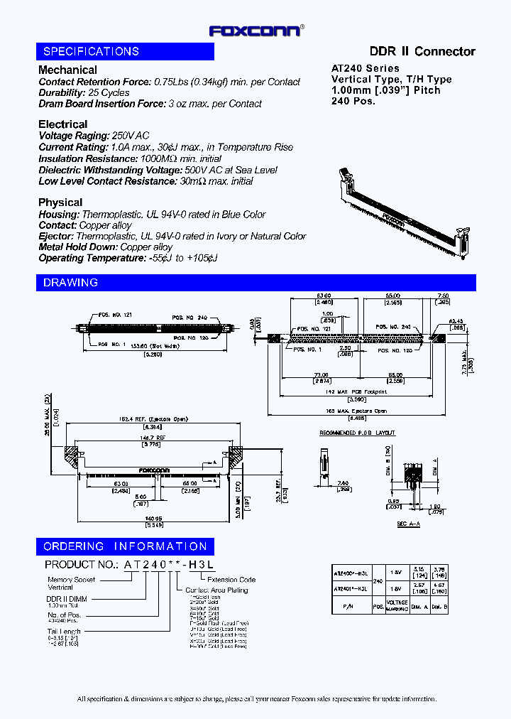
AT2401X-H3L - 240 CONTACT(S), FEMALE, STRAIGHT SINGLE PART CARD EDGE CONN, SOLDER

AT2401X-H3L_6766386.PDF Datasheet


 Full text search : 240 CONTACT(S), FEMALE, STRAIGHT SINGLE PART CARD EDGE CONN, SOLDER
 Product Description search : 240 CONTACT(S), FEMALE, STRAIGHT SINGLE PART CARD EDGE CONN, SOLDER


 Related Part Number
PART Description Maker
M80-4C10405F1-02-325-00-000 Datamate 2-Row Mix-Tek Female Crimp Connector, Hexagonal jackscrews, 4 x Small bore signal contacts, 2 x 12 AWG Power contacts 6 CONTACT(S), FEMALE, TWO PART BOARD CONNECTOR, CRIMP
Harwin PLC
M80-4D11205F2-03-327-00-000 Datamate 2-Row Mix-Tek Female Crimp Connector, Hex Socket jackscrews, 12 x Large bore signal contacts, 3 x 16 AWG Power contacts
HARWIN INC
M83-LFC1FBN19-0101-325 Datamate 3-Row Mix-Tek Female Crimp Connector, Hex Socket jackscrews with extended guide, 19 x Small bore signal contacts, 2 x 12 AWG Power contacts
HARWIN INC
51004-0200 51004-1500 51004-0700 51004-0600 Header Connector,Cable Mnt,PLUG,2 Contacts,SKT,0.079 Pitch 2 CONTACT(S), FEMALE, TWO PART BOARD CONNECTOR, CRIMP
Header Connector,Cable Mnt,PLUG,15 Contacts,SKT,0.079 Pitch 15 CONTACT(S), FEMALE, TWO PART BOARD CONNECTOR, CRIMP
Multipole Connector; Gender:Female; No. of Contacts:7; Series:51004; Body Material:PBT Polyester; No. of Rows:1; Pitch Spacing:0.079" RoHS Compliant: Yes 7 CONTACT(S), FEMALE, TWO PART BOARD CONNECTOR, CRIMP
Multipole Connector; Gender:Female; No. of Contacts:6; Series:51004; Body Material:PBT Polyester; No. of Rows:1; Pitch Spacing:0.079" 6 CONTACT(S), FEMALE, TWO PART BOARD CONNECTOR, CRIMP
Molex, Inc.
15-04-5221 15-04-5184 15-04-5424 15-04-5421 15-04- SL ItmCp DR O/Ribs 22Ckt 22 CONTACT(S), FEMALE, TWO PART BOARD CONNECTOR
SL ItmCp DR W/Ribs 18Ckt 18 CONTACT(S), FEMALE, TWO PART BOARD CONNECTOR
SL ItmCp DR W/Ribs 42Ckt 42 CONTACT(S), FEMALE, TWO PART BOARD CONNECTOR
SL ItmCp DR O/Ribs 42Ckt 42 CONTACT(S), FEMALE, TWO PART BOARD CONNECTOR
SL ItmCp DR O/Ribs 24Ckt 24 CONTACT(S), FEMALE, TWO PART BOARD CONNECTOR
SL ItmCp DR W/Ribs 38Ckt 38 CONTACT(S), FEMALE, TWO PART BOARD CONNECTOR
SL ItmCp DR W/Ribs 44Ckt 44 CONTACT(S), FEMALE, TWO PART BOARD CONNECTOR
SL ItmCp DR W/Ribs 34Ckt 34 CONTACT(S), FEMALE, TWO PART BOARD CONNECTOR
SL ItmCp DR O/Ribs 36Ckt 36 CONTACT(S), FEMALE, TWO PART BOARD CONNECTOR
SL ItmCp DR W/Ribs 36Ckt 36 CONTACT(S), FEMALE, TWO PART BOARD CONNECTOR
15045181 18 CONTACT(S), FEMALE, TWO PART BOARD CONNECTOR
Multipole Connector; Number of Contacts:50; Series:SL; Body Material:Polyester; Number of Rows:2 50 CONTACT(S), FEMALE, TWO PART BOARD CONNECTOR
15045341 34 CONTACT(S), FEMALE, TWO PART BOARD CONNECTOR
Clip; For Use With:Dual row panel mount or headers; Connector Body Material:Polyester; Mounting Type:Panel Mount; No. of Contacts:40; Series:SL RoHS Compliant: Yes 40 CONTACT(S), FEMALE, TWO PART BOARD CONNECTOR
Clip; For Use With:Dual row panel mount or headers; Connector Body Material:Polyester; Mounting Type:Panel Mount; Number of Contacts:12; Series:SL
SL ItmCp DR O/Ribs 38Ckt
SL ItmCp DR W/Ribs 30Ckt
Molex, Inc.
MOLEX INC
10-01-3046 Multipole Connector; Gender:Female; No. of Contacts:4; Series:SPOX; Body Material:Nylon 6/6; No. of Rows:1 4 CONTACT(S), FEMALE, STRAIGHT TWO PART BOARD CONNECTOR, CRIMP, RECEPTACLE
Molex, Inc.
BTE-120-02-C-D-A 240 CONTACT(S), FEMALE, STRAIGHT TWO PART BOARD CONNECTOR, SURFACE MOUNT
SAMTEC INC
EX80A-240S 240 CONTACT(S), FEMALE, STRAIGHT TELECOM AND DATACOM CONNECTOR, SURFACE MOUNT, RECEPTACLE

AT24013-H3W AT24006-H3W 240 CONTACT(S), FEMALE, STRAIGHT SINGLE PART CARD EDGE CONN, SOLDER
HON HAI PRECISION INDUSTRY CO LTD
26-03-4030 26-03-3031 26-03-4032 26-03-4221 26-03- Connector Housing; Gender:Female; No. of Contacts:3; Series:6442; Body Material:PA Polyamide (Nylon); No. of Rows:1; Pitch Spacing:3.96mm RoHS Compliant: Yes 3 CONTACT(S), FEMALE, TWO PART BOARD CONNECTOR, CRIMP
KK 156 Crimp Housing 03 Ckt 3 CONTACT(S), FEMALE, TWO PART BOARD CONNECTOR, CRIMP
KK 156 Crimp Housing Ramp 03 Ckt 2 CONTACT(S), FEMALE, TWO PART BOARD CONNECTOR
KK 156 Crimp Housing Ramp 22 Ckt 22 CONTACT(S), FEMALE, TWO PART BOARD CONNECTOR, CRIMP
KK 156 Crimp Housing 20 Ckt 20 CONTACT(S), FEMALE, TWO PART BOARD CONNECTOR, CRIMP
KK 156 Crimp Housing 09 Ckt 9 CONTACT(S), FEMALE, TWO PART BOARD CONNECTOR, CRIMP
KK 156 Crimp Housing 11 Ckt 11 CONTACT(S), FEMALE, TWO PART BOARD CONNECTOR, CRIMP
Header Connector,Cable Mnt,PLUG,16 Contacts,SKT,0.156 Pitch,POLARIZED LCK 16 CONTACT(S), FEMALE, TWO PART BOARD CONNECTOR, CRIMP
KK 156 Crimp Housing 24 Ckt 24 CONTACT(S), FEMALE, TWO PART BOARD CONNECTOR, CRIMP
Connector Housing; Gender:Female; No. of Contacts:24; Series:6442; Body Material:PA Polyamide (Nylon); No. of Rows:1; Pitch Spacing:3.96mm 24 CONTACT(S), FEMALE, TWO PART BOARD CONNECTOR, CRIMP
KK 156 Crimp Housing 04 Ckt 4 CONTACT(S), FEMALE, TWO PART BOARD CONNECTOR, CRIMP
Header Connector,Cable Mnt,PLUG,4 Contacts,SKT,0.156 Pitch,POLARIZED LCK 4 CONTACT(S), FEMALE, TWO PART BOARD CONNECTOR, CRIMP
KK 156 Crimp Housing Ramp 10 Ckt 9 CONTACT(S), FEMALE, TWO PART BOARD CONNECTOR
KK 156 Crimp Housing Ramp 11 Ckt 10 CONTACT(S), FEMALE, TWO PART BOARD CONNECTOR
Header Connector,Cable Mnt,PLUG,13 Contacts,SKT,0.156 Pitch,POLARIZED LCK 13 CONTACT(S), FEMALE, TWO PART BOARD CONNECTOR, CRIMP
Header Connector,Cable Mnt,PLUG,18 Contacts,SKT,0.156 Pitch,POLARIZED LCK 18 CONTACT(S), FEMALE, TWO PART BOARD CONNECTOR, CRIMP
KK 156 Crimp Housing 15 Ckt 15 CONTACT(S), FEMALE, TWO PART BOARD CONNECTOR, CRIMP
KK 156 Crimp Housing 13 Ckt 13 CONTACT(S), FEMALE, TWO PART BOARD CONNECTOR, CRIMP
KK 156 Crimp Housing 06 Ckt 6 CONTACT(S), FEMALE, TWO PART BOARD CONNECTOR, CRIMP
KK 156 Crimp Housing 07 Ckt 7 CONTACT(S), FEMALE, TWO PART BOARD CONNECTOR, CRIMP
Molex, Inc.
MOLEX INC
AT24002-H3E AT24013-H3E AT24006-H3E 240 CONTACT(S), FEMALE, STRAIGHT SINGLE PART CARD EDGE CONN, SOLDER, SOCKET
HON HAI PRECISION INDUSTRY CO LTD
 
 Related keyword From Full Text Search System
AT2401X-H3L Marin AT2401X-H3L mosfet AT2401X-H3L transistor AT2401X-H3L toshiba AT2401X-H3L voltage vgs
AT2401X-H3L gaas AT2401X-H3L pressure sensor AT2401X-H3L 替换 AT2401X-H3L eeprom pdf AT2401X-H3L inductors
 

 

Price & Availability of AT2401X-H3L

All Rights Reserved © IC-ON-LINE 2003 - 2022  

[Add Bookmark] [Contact Us] [Link exchange] [Privacy policy]
Mirror Sites :  [www.datasheet.hk]   [www.maxim4u.com]  [www.ic-on-line.cn] [www.ic-on-line.com] [www.ic-on-line.net] [www.alldatasheet.com.cn] [www.gdcy.com]  [www.gdcy.net]


 . . . . .
  We use cookies to deliver the best possible web experience and assist with our advertising efforts. By continuing to use this site, you consent to the use of cookies. For more information on cookies, please take a look at our Privacy Policy. X
1.7745821475983