Part Number Hot Search : 
KBPC2504 LMB202 W24129A M50197 P82C206 BSO304SN STBC08 D74ALV
Product Description
Full Text Search

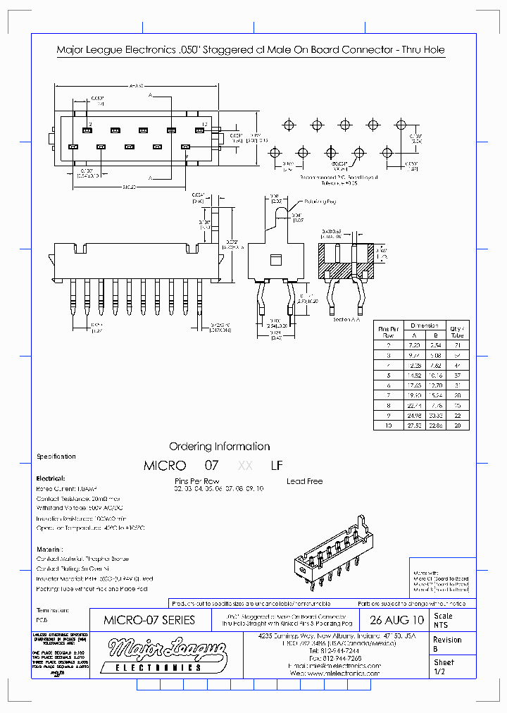
MICRO-07 - .050 Staggered cl Male On Board Connector Thru Hole Straigh With Kinked Pins

MICRO-07_5825575.PDF Datasheet


 Full text search : .050 Staggered cl Male On Board Connector Thru Hole Straigh With Kinked Pins
 Product Description search : .050 Staggered cl Male On Board Connector Thru Hole Straigh With Kinked Pins


 Related Part Number
PART Description Maker
MICRO-04 .050 Staggered cl Plug (paddleboard) Connector Thru Hole Straight With Kinked Pins
Major League Electronics
TFM-130-01-S-D-RA .050 X .050 MICRO STRIPS 60 CONTACT(S), MALE, RIGHT ANGLE BOARD STACKING CONNECTOR, SOLDER
HIROSE ELECTRIC Co., Ltd.
TFM-105-32-S-D-A TFM-115-02-SM-D-A-K-TR TFM-150-02 .050 X .050 MICRO STRIPS 10 CONTACT(S), MALE, STRAIGHT TWO PART BOARD CONNECTOR, SURFACE MOUNT
.050 X .050 MICRO STRIPS 30 CONTACT(S), MALE, STRAIGHT TWO PART BOARD CONNECTOR, SURFACE MOUNT
.050 X .050 MICRO STRIPS 100 CONTACT(S), MALE, STRAIGHT TWO PART BOARD CONNECTOR, SURFACE MOUNT
.050 X .050 MICRO STRIPS 20 CONTACT(S), MALE, STRAIGHT TWO PART BOARD CONNECTOR, SURFACE MOUNT
.050 X .050 MICRO STRIPS 80 CONTACT(S), MALE, STRAIGHT TWO PART BOARD CONNECTOR, SURFACE MOUNT
Samtec, Inc.
SAMTEC INC
FTS-105-02-L-DV FTS-150-03-L-D FTS-150-03-L-DV FTS .050 X .050 C.L. LOW PROFILE TERMINAL STRIP ASSEMBLY 10 CONTACT(S), MALE, STRAIGHT TWO PART BOARD CONNECTOR, SURFACE MOUNT
CONN HEADER 100POS DUAL .05 T/H 100 CONTACT(S), MALE, STRAIGHT TWO PART BOARD CONNECTOR, SOLDER
CONN HEADER 100POS DUAL .05 SMD 100 CONTACT(S), MALE, STRAIGHT TWO PART BOARD CONNECTOR, SURFACE MOUNT
42 CONTACT(S), MALE, STRAIGHT TWO PART BOARD CONNECTOR, SURFACE MOUNT
62 CONTACT(S), MALE, STRAIGHT TWO PART BOARD CONNECTOR, SURFACE MOUNT
Samtec, Inc.
SAMTEC INC
009188004012062 00918800802006 009188008020062 009 9188 Staggered SOLO Stacker
AVX Corporation
HIF2C-16DT-1.27R HIF2C-26DT-1.27R HIF2C-16DT-1.27R Staggered Connector Directly Mounted on Board
Hirose Electric USA, INC.
22-23-3034 A-42009-03 2.54mm (.100) Pitch KK庐 Solid Header, Vertical, with Staggered Tail, 3 Circuits
2.54mm (.100) Pitch KK? Solid Header, Vertical, with Staggered Tail, 3 Circuits
Molex Electronics Ltd.
22-23-3024 0022233024 A-42009-02 2.54mm (.100) Pitch KK? Solid Header, Vertical, with Staggered Tail, 2 Circuits
Molex Electronics Ltd.
22-43-6040 A-42249-4A 0022436040 2.50mm (.098) Pitch SPOX Header, Shrouded, Staggered Footprint, 4 Circuits, White
2.50mm (.098") Pitch SPOX Header, Shrouded, Staggered Footprint, 4 Circuits, White
Molex Electronics Ltd.
22-43-6020 A-42249-2A 0022436020 2.50mm (.098) Pitch SPOX Header, Shrouded, Staggered Footprint, 2 Circuits, White
2.50mm (.098") Pitch SPOX Header, Shrouded, Staggered Footprint, 2 Circuits, White
Molex Electronics Ltd.
22-44-7074 A-42249-7E 2.50mm (.098") Pitch SPOX Header, Shrouded, Staggered Footprint, 7 Circuits, Orange
2.50mm (.098) Pitch SPOX Header, Shrouded, Staggered Footprint, 7 Circuits, Orange
Molex Electronics Ltd.
 
 Related keyword From Full Text Search System
MICRO-07 siliconix MICRO-07 IC DATA SHET MICRO-07 Mixed MICRO-07 device MICRO-07 资料查找
MICRO-07 pdf MICRO-07 laser diode MICRO-07 equivalent ic MICRO-07 Crystals MICRO-07 driver
 

 

Price & Availability of MICRO-07

All Rights Reserved © IC-ON-LINE 2003 - 2022  

[Add Bookmark] [Contact Us] [Link exchange] [Privacy policy]
Mirror Sites :  [www.datasheet.hk]   [www.maxim4u.com]  [www.ic-on-line.cn] [www.ic-on-line.com] [www.ic-on-line.net] [www.alldatasheet.com.cn] [www.gdcy.com]  [www.gdcy.net]


 . . . . .
  We use cookies to deliver the best possible web experience and assist with our advertising efforts. By continuing to use this site, you consent to the use of cookies. For more information on cookies, please take a look at our Privacy Policy. X
1.6550509929657