Part Number Hot Search : 
27C402CZ MBR340G 2SC36 MBR3010 MG100 L6008 BD6637KV IR15XB08
Product Description
Full Text Search

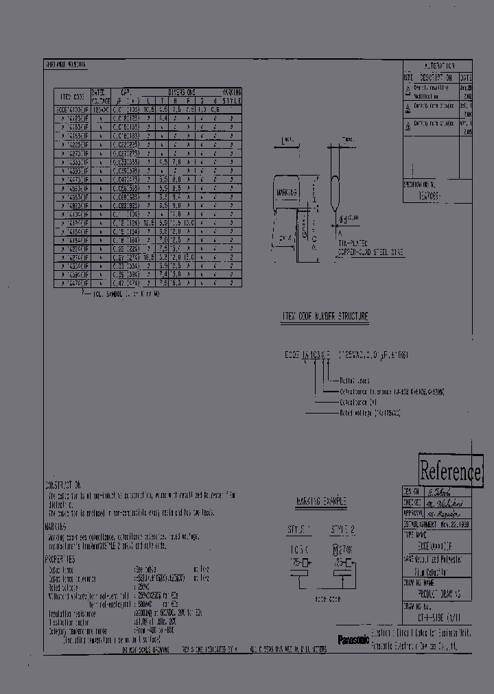
ECQE1A224KF - CAPACITOR, METALLIZED FILM, POLYESTER, 0.22 uF, THROUGH HOLE MOUNT RADIAL LEADED

ECQE1A224KF_3777711.PDF Datasheet


 Full text search : CAPACITOR, METALLIZED FILM, POLYESTER, 0.22 uF, THROUGH HOLE MOUNT RADIAL LEADED
 Product Description search : CAPACITOR, METALLIZED FILM, POLYESTER, 0.22 uF, THROUGH HOLE MOUNT RADIAL LEADED


 Related Part Number
PART Description Maker
ECWH10433HVB ECWH10752HVB ECWH12912V ECW-H10223JV Metallized Polypropylene Film Capacitor
Metallized Polypropylene Film Capaitor
Designed for high frequency and pluse applications.
Plastic Film Capacitors
   Metallized Polypropylene Film Capacitor
Panasonic Semiconductor
940C12P33K-F 940C10P33K-F 940C8W1P5K-F 940C16W1P5K CAP .33UF 1200VDC POLY FILM AXL CAPACITOR, METALLIZED FILM, POLYPROPYLENE, 1200 V, 0.33 uF, THROUGH HOLE MOUNT
CAP .33UF 1000VDC POLY FILM AXL CAPACITOR, METALLIZED FILM, POLYPROPYLENE, 1000 V, 0.33 uF, THROUGH HOLE MOUNT
CAP 1.5UF 850VDC POLY FILM AXIAL CAPACITOR, METALLIZED FILM, POLYPROPYLENE, 850 V, 1.5 uF, THROUGH HOLE MOUNT
CAP 1.5UF 1600VDC POLY FILM AXL CAPACITOR, METALLIZED FILM, POLYPROPYLENE, 1600 V, 1.5 uF, THROUGH HOLE MOUNT
CAP .15UF 850VDC POLY FILM AXIAL CAPACITOR, METALLIZED FILM, POLYPROPYLENE, 850 V, 0.15 uF, THROUGH HOLE MOUNT
Cornell Dubilier Electronics, Inc.
CB017D0102JBA CB017D0103JBA CB017D0222JBA CB017D04 CAPACITOR, METALLIZED FILM, POLYETHYLENE NAPHTHALATE, 50 V, 0.001 uF, SURFACE MOUNT, 1206 CHIP, ROHS COMPLIANT
CAPACITOR, METALLIZED FILM, POLYETHYLENE NAPHTHALATE, 50 V, 0.01 uF, SURFACE MOUNT, 1206 CHIP, ROHS COMPLIANT
CAPACITOR, METALLIZED FILM, POLYETHYLENE NAPHTHALATE, 50 V, 0.0022 uF, SURFACE MOUNT, 1206 CHIP, ROHS COMPLIANT
CAPACITOR, METALLIZED FILM, POLYETHYLENE NAPHTHALATE, 50 V, 0.0047 uF, SURFACE MOUNT, 1206 CHIP, ROHS COMPLIANT
CAPACITOR, METALLIZED FILM, POLYETHYLENE NAPHTHALATE, 50 V, 0.0015 uF, SURFACE MOUNT, 1206 CHIP, ROHS COMPLIANT
CAP 0.1UF 50/63V 5% FILM-PPS SMD-1812 TR-7 SN100/NIBAR CAPACITOR, METALLIZED FILM, POLYETHYLENE NAPHTHALATE, 63 V, 0.1 uF, SURFACE MOUNT, 1812
AVX, Corp.
PM94-20.33UF/-20400V PM94N-20.33UF/-20400V PM94NS- CAPACITOR, METALLIZED FILM, POLYESTER, 400 V, 0.33 uF, SURFACE MOUNT
CAPACITOR, METALLIZED FILM, POLYESTER, 400 V, 0.33 uF, THROUGH HOLE MOUNT DIP-12
CAPACITOR, METALLIZED FILM, POLYESTER, 250 V, 0.68 uF, SURFACE MOUNT
CAPACITOR, METALLIZED FILM, POLYESTER, 250 V, 0.68 uF, THROUGH HOLE MOUNT DIP-12
CAPACITOR, METALLIZED FILM, POLYESTER, 400 V, 0.0082 uF, THROUGH HOLE MOUNT DIP-12
CAPACITOR, METALLIZED FILM, POLYESTER, 400 V, 0.0082 uF, SURFACE MOUNT
CAPACITOR, METALLIZED FILM, POLYESTER, 400 V, 0.47 uF, SURFACE MOUNT
CAPACITOR, METALLIZED FILM, POLYESTER, 100 V, 4.7 uF, SURFACE MOUNT
CAPACITOR, METALLIZED FILM, POLYESTER, 63 V, 4.7 uF, SURFACE MOUNT
CAPACITOR, METALLIZED FILM, POLYESTER, 400 V, 0.47 uF, THROUGH HOLE MOUNT DIP-12
CAPACITOR, METALLIZED FILM, POLYESTER, 200 V, 0.1 uF, THROUGH HOLE MOUNT DIP-12
CAPACITOR, METALLIZED FILM, POLYESTER, 100 V, 0.082 uF, SURFACE MOUNT
CAPACITOR, METALLIZED FILM, POLYESTER, 200 V, 0.18 uF, THROUGH HOLE MOUNT DIP-12
CAPACITOR, METALLIZED FILM, POLYESTER, 200 V, 0.047 uF, THROUGH HOLE MOUNT DIP-12
CAPACITOR, METALLIZED FILM, POLYESTER, 100 V, 0.082 uF, THROUGH HOLE MOUNT DIP-12
CAPACITOR, METALLIZED FILM, POLYESTER, 200 V, 0.068 uF, THROUGH HOLE MOUNT DIP-12
CAPACITOR, METALLIZED FILM, POLYESTER, 250 V, 0.22 uF, THROUGH HOLE MOUNT DIP-12
CAPACITOR, METALLIZED FILM, POLYESTER, 250 V, 0.22 uF, SURFACE MOUNT
Analog Devices, Inc.
Vishay Beyschlag
CommScope, Inc.
Vishay Intertechnology, Inc.
WYE-472M-03 WYE-472MTA WYE-332M-02 WYE-472M-02 WYE CAPACITOR, METALLIZED FILM, POLYESTER, 600 V, 0.0047 uF, CHASSIS MOUNT
CAPACITOR, METALLIZED FILM, POLYESTER, 600 V, 0.0047 uF, THROUGH HOLE MOUNT RADIAL LEADED
CAPACITOR, METALLIZED FILM, POLYESTER, 600 V, 0.0033 uF, CHASSIS MOUNT
CAPACITOR, METALLIZED FILM, POLYESTER, 600 V, 0.0022 uF, CHASSIS MOUNT
Power-One, Inc.
PP88P0.33UF/-53500V PP88P0.33UF/-104500V PP88R0.33 CAPACITOR, METALLIZED FILM, POLYPROPYLENE, 2000 V, 0.33 uF, THROUGH HOLE MOUNT
CAPACITOR, METALLIZED FILM, POLYPROPYLENE, 2500 V, 0.33 uF, THROUGH HOLE MOUNT
CAPACITOR, METALLIZED FILM, POLYPROPYLENE, 2500 V, 0.33 uF, CHASSIS MOUNT
CAPACITOR, METALLIZED FILM, POLYPROPYLENE, 3000 V, 0.12 uF, THROUGH HOLE MOUNT
CAPACITOR, METALLIZED FILM, POLYPROPYLENE, 3000 V, 0.33 uF, THROUGH HOLE MOUNT
CAPACITOR, METALLIZED FILM, POLYPROPYLENE, 3000 V, 0.33 uF, CHASSIS MOUNT
CAPACITOR, METALLIZED FILM, POLYPROPYLENE, 2000 V, 0.33 uF, CHASSIS MOUNT
CAPACITOR, METALLIZED FILM, POLYPROPYLENE, 2500 V, 0.22 uF, THROUGH HOLE MOUNT
CAPACITOR, METALLIZED FILM, POLYPROPYLENE, 1300 V, 0.47 uF, CHASSIS MOUNT
CAPACITOR, METALLIZED FILM, POLYPROPYLENE, 1300 V, 0.47 uF, THROUGH HOLE MOUNT
CAPACITOR, METALLIZED FILM, POLYPROPYLENE, 2000 V, 0.68 uF, THROUGH HOLE MOUNT
CAPACITOR, METALLIZED FILM, POLYPROPYLENE, 1000 V, 0.47 uF, THROUGH HOLE MOUNT
Cypress Semiconductor Corp.
Vishay Intertechnology, Inc.
MITSUMI ELECTRIC CO., LTD.
PP44R4.7UF/-101200V PP44R0.47UF/-101200V PP44R0.12 CAPACITOR, METALLIZED FILM, POLYPROPYLENE, 1200 V, 4.7 uF, CHASSIS MOUNT
CAPACITOR, METALLIZED FILM, POLYPROPYLENE, 1200 V, 0.47 uF, CHASSIS MOUNT
CAPACITOR, METALLIZED FILM, POLYPROPYLENE, 1600 V, 0.12 uF, CHASSIS MOUNT
CAPACITOR, METALLIZED FILM, POLYPROPYLENE, 400 V, 40 uF, CHASSIS MOUNT
CAPACITOR, METALLIZED FILM, POLYPROPYLENE, 800 V, 6.8 uF, CHASSIS MOUNT
The Connor-Winfield, Corp.
Vishay Intertechnology, Inc.
PM83UL8.2NF5100V PM83UL8.2NF20100V PM83UL8.2NF2040 CAPACITOR, METALLIZED FILM, POLYESTER, 100 V, 0.0082 uF, THROUGH HOLE MOUNT RADIAL LEADED
CAPACITOR, METALLIZED FILM, POLYESTER, 400 V, 0.0082 uF, THROUGH HOLE MOUNT RADIAL LEADED
CAPACITOR, METALLIZED FILM, POLYESTER, 63 V, 0.018 uF, THROUGH HOLE MOUNT RADIAL LEADED
CAPACITOR, METALLIZED FILM, POLYESTER, 63 V, 0.0047 uF, THROUGH HOLE MOUNT AXIAL LEADED
Genesys Logic, Inc.
SUSUMU Co., Ltd.
TOKO, Inc.
MKP1840-410 MKP1840-410_404-MD MKP1840-410_404-MF CAPACITOR, METALLIZED FILM, POLYPROPYLENE, 400 V, 0.15 uF, THROUGH HOLE MOUNT RADIAL LEADED, ROHS COMPLIANT
Metallized Polypropylene Capacitor, Mini-Version (-M) Related Document: CECC 31 200
Vishay Intertechnology, Inc.
Vishay Siliconix
SP1213TCQ-3-1.0-4-1 SP1213TCQ-X-1.0-4-1 SP1213TCQ- CAPACITOR, METALLIZED FILM, POLYPROPYLENE, 400 V, 2 uF, THROUGH HOLE MOUNT AXIAL LEADED
CAPACITOR, METALLIZED FILM, POLYPROPYLENE, 400 V, 10 uF, THROUGH HOLE MOUNT AXIAL LEADED
CAPACITOR, METALLIZED FILM, POLYPROPYLENE, 200 V, 10 uF, THROUGH HOLE MOUNT AXIAL LEADED
CAPACITOR, METALLIZED FILM, POLYPROPYLENE, 200 V, 5 uF, THROUGH HOLE MOUNT AXIAL LEADED
CAPACITOR, METALLIZED FILM, POLYPROPYLENE, 850 V, 1 uF, THROUGH HOLE MOUNT AXIAL LEADED
CAPACITOR, METALLIZED FILM, POLYPROPYLENE, 850 V, 1.2 uF, THROUGH HOLE MOUNT AXIAL LEADED
CAPACITOR, METALLIZED FILM, POLYPROPYLENE, 1200 V, 1.2 uF, THROUGH HOLE MOUNT AXIAL LEADED
CAPACITOR, METALLIZED FILM, POLYPROPYLENE, 100 V, 1 uF, THROUGH HOLE MOUNT AXIAL LEADED
CAPACITOR, METALLIZED FILM, POLYPROPYLENE, 850 V, 1.5 uF, THROUGH HOLE MOUNT AXIAL LEADED
METALLIZED POLYPROPYLENE
Electronic Film Capacitors, Inc.
PM50B3.3UF2063V PM50C3.3UF1063V PM50C3.3UF563V PM6 CAPACITOR, METALLIZED FILM, POLYESTER, 63 V, 3.3 uF, THROUGH HOLE MOUNT RADIAL LEADED
CAPACITOR, METALLIZED FILM, POLYESTER, 63 V, 3.3 uF, THROUGH HOLE MOUNT AXIAL LEADED
CAPACITOR, METALLIZED FILM, POLYESTER, 400 V, 0.27 uF, THROUGH HOLE MOUNT RADIAL LEADED
CAPACITOR, METALLIZED FILM, POLYESTER, 160 V, 0.27 uF, THROUGH HOLE MOUNT RADIAL LEADED
CAPACITOR, METALLIZED FILM, POLYESTER, 40 V, 0.27 uF, THROUGH HOLE MOUNT RADIAL LEADED
CAPACITOR, METALLIZED FILM, POLYESTER, 250 V, 0.27 uF, THROUGH HOLE MOUNT RADIAL LEADED
CAPACITOR, METALLIZED FILM, POLYESTER, 250 V, 0.47 uF, THROUGH HOLE MOUNT RADIAL LEADED
CAPACITOR, METALLIZED FILM, POLYESTER, 250 V, 0.18 uF, THROUGH HOLE MOUNT RADIAL LEADED
CAPACITOR, METALLIZED FILM, POLYESTER, 160 V, 0.68 uF, THROUGH HOLE MOUNT RADIAL LEADED
CAPACITOR, METALLIZED FILM, POLYESTER, 40 V, 0.47 uF, THROUGH HOLE MOUNT RADIAL LEADED
CAPACITOR, METALLIZED FILM, POLYESTER, 400 V, 0.68 uF, THROUGH HOLE MOUNT RADIAL LEADED
CAPACITOR, METALLIZED FILM, POLYESTER, 63 V, 0.27 uF, THROUGH HOLE MOUNT RADIAL LEADED
CAPACITOR, METALLIZED FILM, POLYESTER, 250 V, 0.15 uF, THROUGH HOLE MOUNT RADIAL LEADED
NIC Components, Corp.
VITROHM Holding GmbH
Rectron Semiconductor
Synergy Microwave, Corp.
SMD-PET28242.2/5/63VDCBP180 SMD-PET40302.2/5/63VDC CAPACITOR, METALLIZED FILM, POLYESTER, 63 V, 2.2 uF, SURFACE MOUNT, 2824 CHIP, ROHS COMPLIANT
CAPACITOR, METALLIZED FILM, POLYESTER, 63 V, 2.2 uF, SURFACE MOUNT, 4030 CHIP, ROHS COMPLIANT
CAPACITOR, METALLIZED FILM, POLYESTER, 100 V, 2.2 uF, SURFACE MOUNT, 5040 CHIP, ROHS COMPLIANT
PacTec
 
 Related keyword From Full Text Search System
ECQE1A224KF astable multivibrators ECQE1A224KF Nation ECQE1A224KF Transistor ECQE1A224KF Dual ECQE1A224KF integrated
ECQE1A224KF price ECQE1A224KF memory ECQE1A224KF china datasheet ECQE1A224KF cantherm ECQE1A224KF digital ic
 

 

Price & Availability of ECQE1A224KF

All Rights Reserved © IC-ON-LINE 2003 - 2022  

[Add Bookmark] [Contact Us] [Link exchange] [Privacy policy]
Mirror Sites :  [www.datasheet.hk]   [www.maxim4u.com]  [www.ic-on-line.cn] [www.ic-on-line.com] [www.ic-on-line.net] [www.alldatasheet.com.cn] [www.gdcy.com]  [www.gdcy.net]


 . . . . .
  We use cookies to deliver the best possible web experience and assist with our advertising efforts. By continuing to use this site, you consent to the use of cookies. For more information on cookies, please take a look at our Privacy Policy. X
1.7681050300598