Part Number Hot Search : 
4000V 16F627 CT100 RF907 4LVX1 RF907 1010A C3102
Product Description
Full Text Search

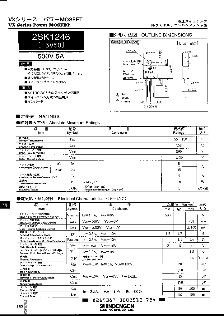
2SK1246 - TRANSISTOR | MOSFET | N-CHANNEL | 500V V(BR)DSS | 5A I(D) | TO-220AB

2SK1246_1936002.PDF Datasheet


 Full text search : TRANSISTOR | MOSFET | N-CHANNEL | 500V V(BR)DSS | 5A I(D) | TO-220AB
 Product Description search : TRANSISTOR | MOSFET | N-CHANNEL | 500V V(BR)DSS | 5A I(D) | TO-220AB


 Related Part Number
PART Description Maker
IXTL15N20 IXTL8P40 IXTL5N65 IXTL5P40 IXTL6N60 IXTM TRANSISTOR | MOSFET | N-CHANNEL | 200V V(BR)DSS | 15A I(D) | TO-254
TRANSISTOR | MOSFET | P-CHANNEL | 400V V(BR)DSS | 8A I(D) | TO-254
TRANSISTOR | MOSFET | P-CHANNEL | 400V V(BR)DSS | 5A I(D) | TO-254
TRANSISTOR | MOSFET | N-CHANNEL | 600V V(BR)DSS | 6A I(D) | TO-254
TRANSISTOR | MOSFET | N-CHANNEL | 950V V(BR)DSS | 5A I(D) | TO-204AC
TRANSISTOR | MOSFET | N-CHANNEL | 950V V(BR)DSS | 5A I(D) | TO-247
TRANSISTOR | MOSFET | N-CHANNEL | 100V V(BR)DSS | 24A I(D) | TO-254
TRANSISTOR | MOSFET | P-CHANNEL | 200V V(BR)DSS | 15A I(D) | TO-218VAR
TRANSISTOR | MOSFET | N-CHANNEL | 600V V(BR)DSS | 6A I(D) | TO-220AB 晶体管| MOSFET的| N沟道| 600V的五(巴西)直| 6A条(丁)| TO - 220AB现有
TRANSISTOR | MOSFET | P-CHANNEL | 200V V(BR)DSS | 10A I(D) | TO-254 晶体管| MOSFET的| P通道| 200伏五(巴西)直| 10A条(丁)|254
TRANSISTOR | MOSFET | N-CHANNEL | 650V V(BR)DSS | 5A I(D) | TO-254 晶体管| MOSFET的| N沟道|650V五(巴西)直| 5A条(丁)|54
TRANSISTOR | MOSFET | P-CHANNEL | 150V V(BR)DSS | 7A I(D) | TO-3 晶体管| MOSFET的| P通道| 150伏五(巴西)直| 7A条(丁)|
TRANSISTOR | MOSFET | N-CHANNEL | 500V V(BR)DSS | 13A I(D) | TO-210AC 晶体管| MOSFET的| N沟道| 500V五(巴西)直|3A条(丁)|10AC
TRANSISTOR | MOSFET | P-CHANNEL | 500V V(BR)DSS | 5A I(D) | TO-220 晶体管| MOSFET的| P通道| 500V五(巴西)直| 5A条(丁)|220
MITSUMI ELECTRIC CO., LTD.
Infineon Technologies AG
HIROSE ELECTRIC Co., Ltd.
2SK1547 2SK947 2SK903 MOSFET Transistor
TRANSISTOR,MOSFET,N-CHANNEL,250V V(BR)DSS,12A I(D),TO-220AB
TRANSISTOR,MOSFET,N-CHANNEL,800V V(BR)DSS,4A I(D),TO-220
Fuji Electric
Fuji Semiconductors, Inc.
DE150-201N09-00 DE375-501N21-00 DE275-102N05-00 DE TRANSISTOR | MOSFET POWER MODULE | INDEPENDENT | 200V V(BR)DSS | 9A I(D)
TRANSISTOR | MOSFET POWER MODULE | INDEPENDENT | 500V V(BR)DSS | 21A I(D)
TRANSISTOR | MOSFET POWER MODULE | INDEPENDENT | 1KV V(BR)DSS | 5A I(D) 晶体管| MOSFET功率模块|独立| 1KV交五(巴西)直| 5A条(丁)
TRANSISTOR | MOSFET POWER MODULE | INDEPENDENT | 300V V(BR)DSS | 35A I(D) 晶体管| MOSFET功率模块|独立| 300V五(巴西)直| 35A条(丁)
TRANSISTOR | MOSFET POWER MODULE | INDEPENDENT | 500V V(BR)DSS | 4.5A I(D)
TE Connectivity, Ltd.
Glenair, Inc.
2SA1666YI-UL 2SA1666YI-TR 2SC4903YL-UL 2SA1666YI-0 200 mA, 15 V, PNP, Si, SMALL SIGNAL TRANSISTOR
Si, NPN, RF SMALL SIGNAL TRANSISTOR
100 mA, 8 V, NPN, Si, SMALL SIGNAL TRANSISTOR
0.2 A, 30 V, 7.5 ohm, P-CHANNEL, Si, POWER, MOSFET
0.2 A, 30 V, 2.5 ohm, N-CHANNEL, Si, POWER, MOSFET
0.2 A, 50 V, 12 ohm, P-CHANNEL, Si, POWER, MOSFET
0.2 A, 20 V, 9 ohm, P-CHANNEL, Si, POWER, MOSFET
0.2 A, 50 V, 5 ohm, N-CHANNEL, Si, POWER, MOSFET
0.2 A, 20 V, 4 ohm, N-CHANNEL, Si, POWER, MOSFET
UHF BAND, Si, RF SMALL SIGNAL, FET
3000 mA, 25 V, PNP, Si, SMALL SIGNAL TRANSISTOR
1 A, 60 V, 1.2 ohm, P-CHANNEL, Si, POWER, MOSFET
100 mA, 40 V, NPN, Si, SMALL SIGNAL TRANSISTOR
1000 mA, 60 V, NPN, Si, SMALL SIGNAL TRANSISTOR
50 mA, 8 V, NPN, Si, SMALL SIGNAL TRANSISTOR
20 A, 60 V, 0.095 ohm, P-CHANNEL, Si, POWER, MOSFET
3 A, 100 V, 0.45 ohm, N-CHANNEL, Si, POWER, MOSFET
100 mA, 60 V, NPN, Si, SMALL SIGNAL TRANSISTOR
0.3 A, 100 V, 6.5 ohm, N-CHANNEL, Si, POWER, MOSFET, TO-92
2 A, 20 V, 1.5 ohm, P-CHANNEL, Si, POWER, MOSFET
2 A, 900 V, 7 ohm, N-CHANNEL, Si, POWER, MOSFET
5 A, 30 V, 0.13 ohm, P-CHANNEL, Si, POWER, MOSFET
Bourns, Inc.
LEDtronics, Inc.
Integrated Device Technology, Inc.
Vishay Beyschlag
Air Cost Control
Mini-Circuits
Moeller Electric, Corp.
OSRAM GmbH
Cooper Hand Tools
KOA Speer Electronics,Inc.
ProMOS Technologies, Inc.
OM6407SD OM6406SD OM6408SD OM6405SD TRANSISTOR | MOSFET | ARRAY | N-CHANNEL | 200V V(BR)DSS | 8A I(D) | FP
TRANSISTOR | MOSFET | ARRAY | N-CHANNEL | 500V V(BR)DSS | 4.5A I(D) | FP
TRANSISTOR | MOSFET | ARRAY | N-CHANNEL | 400V V(BR)DSS | 5.5A I(D) | FP 晶体管| MOSFET的|阵| N沟道| 400V五(巴西)直| 5.5AI(四)|计划生育
TRANSISTOR | MOSFET | ARRAY | N-CHANNEL | 100V V(BR)DSS | 8A I(D) | FP 晶体管| MOSFET的|阵| N沟道| 100V的五(巴西)直| 8A条(丁)|计划生育
Mitsubishi Electric, Corp.
IRLC130 IRFC214R IRFC9014R IRFC254R IRFC054R IRFC2 TRANSISTOR | MOSFET | N-CHANNEL | 250V V(BR)DSS | CHIP
TRANSISTOR | MOSFET | P-CHANNEL | 60V V(BR)DSS | CHIP
TRANSISTOR | MOSFET | N-CHANNEL | 60V V(BR)DSS | CHIP
TRANSISTOR | MOSFET | N-CHANNEL | 100V V(BR)DSS | CHIP 晶体管| MOSFET的| N沟道| 100V的五(巴西)决策支持系统|芯片
TRANSISTOR | MOSFET | N-CHANNEL | 200V V(BR)DSS | CHIP 晶体管| MOSFET的| N沟道| 200伏五(巴西)决策支持系统|芯片
TRANSISTOR | MOSFET | N-CHANNEL | 400V V(BR)DSS | CHIP 晶体管| MOSFET的| N沟道| 400V五(巴西)决策支持系统|芯片
TRANSISTOR | MOSFET | P-CHANNEL | 100V V(BR)DSS | CHIP 晶体管| MOSFET的| P通道| 100V的五(巴西)决策支持系统|芯片
TRANSISTOR | MOSFET | P-CHANNEL | 200V V(BR)DSS | CHIP 晶体管| MOSFET的| P通道| 200伏五(巴西)决策支持系统|芯片
ITT, Corp.
Amphenol, Corp.
ZETTLER electronics GmbH
Electronic Theatre Controls, Inc.
IRFBL10N60A N-Channel SMPS MOSFET(N娌?? 寮??妯″??垫?MOS?烘?搴??,?ㄤ?楂????C-DC杞????
HEXFET Power MOSFET
HEXFET? Power MOSFET
11 A, 600 V, 0.61 ohm, N-CHANNEL, Si, POWER, MOSFET
TRANSISTOR | MOSFET | N-CHANNEL | 600V V(BR)DSS | 11A I(D) | TO-263VAR
IRF[International Rectifier]
VISHAY SILICONIX
FS5VSJ06 FS30UMJ06 TRANSISTOR | MOSFET | N-CHANNEL | 60V V(BR)DSS | 5A I(D) | TO-263AB
TRANSISTOR | MOSFET | N-CHANNEL | 60V V(BR)DSS | 30A I(D) | TO-220AB 晶体管| MOSFET的| N沟道| 60V的五(巴西)直| 30A条(丁)| TO - 220AB现有
Powerex, Inc.
IRF9Z14STRL IRF9Z14L IRF9Z14STRR TRANSISTOR | MOSFET | P-CHANNEL | 60V V(BR)DSS | 6.7A I(D) | TO-262
TRANSISTOR | MOSFET | P-CHANNEL | 60V V(BR)DSS | 6.7A I(D) | TO-263AB 晶体管| MOSFET的| P通道| 60V的五(巴西)直| 6.7AI(四)|63AB
Sumida, Corp.
IRFU320A IRFR320A TRANSISTOR | MOSFET | N-CHANNEL | 400V V(BR)DSS | 3.1A I(D) | TO-251AA
TRANSISTOR | MOSFET | N-CHANNEL | 400V V(BR)DSS | 3.1A I(D) | TO-252AA 晶体管| MOSFET的| N沟道| 400V五(巴西)直| 3.1AI(四)|52AA

STB3NC60 STB3NC60T4 STB3NC60-1 TRANSISTOR | MOSFET | N-CHANNEL | 600V V(BR)DSS | 3A I(D) | TO-262AA
TRANSISTOR | MOSFET | N-CHANNEL | 600V V(BR)DSS | 3A I(D) | TO-263AB
N - CHANNEL 600V - 3.3Ohm -3A-D 2 PAK/I 2 PAK PowerMESH II MOSFET
N - CHANNEL 600V - 3.3ohm- 3A - D2PAK/I2PAK PowerMESHII MOSFET
SGS Thomson Microelectronics
STMicroelectronics
意法半导
2N4118A SST4119 2N4117A 2N4119A PN4117A PN4118A PN N-Channel JFETs
IC FTDI2232L USB/SERIAL 48-LQFP
MOSFET, DUAL PP SO-8MOSFET, DUAL PP SO-8; Transistor type:MOSFET; Transistor polarity:Dual P; Voltage, Vds max:12V; Case style:SO-8; Current, Id cont:4.8A; Current, Idm pulse:-20A; Power, Pd:1.1W; Resistance, Rds on:0.035R; SMD:1;
MOSFET, DUAL PP SO-8MOSFET, DUAL PP SO-8; Transistor type:MOSFET; Transistor polarity:Dual P; Voltage, Vds max:20V; Case style:SO-8; Current, Id cont:3.6A; Current, Idm pulse:40A; Power, Pd:1.1W; Resistance, Rds on:0.06R; SMD:1;
VISAY[Vishay Siliconix]
Vishay Intertechnology,Inc.
 
 Related keyword From Full Text Search System
2SK1246 参数 封装 2SK1246 ic marking 2SK1246 silicon 2SK1246 Integrated 2SK1246 video
2SK1246 SePIC 2SK1246 server 2SK1246 circuit diagram 2SK1246 international 2SK1246 ohm
 

 

Price & Availability of 2SK1246

All Rights Reserved © IC-ON-LINE 2003 - 2022  

[Add Bookmark] [Contact Us] [Link exchange] [Privacy policy]
Mirror Sites :  [www.datasheet.hk]   [www.maxim4u.com]  [www.ic-on-line.cn] [www.ic-on-line.com] [www.ic-on-line.net] [www.alldatasheet.com.cn] [www.gdcy.com]  [www.gdcy.net]


 . . . . .
  We use cookies to deliver the best possible web experience and assist with our advertising efforts. By continuing to use this site, you consent to the use of cookies. For more information on cookies, please take a look at our Privacy Policy. X
1.74973487854