Part Number Hot Search : 
M38B79M7 PSMPT45C NCP3335 SCAS2 1A66C HT93LC86 BD4731 HD74L
Product Description
Full Text Search

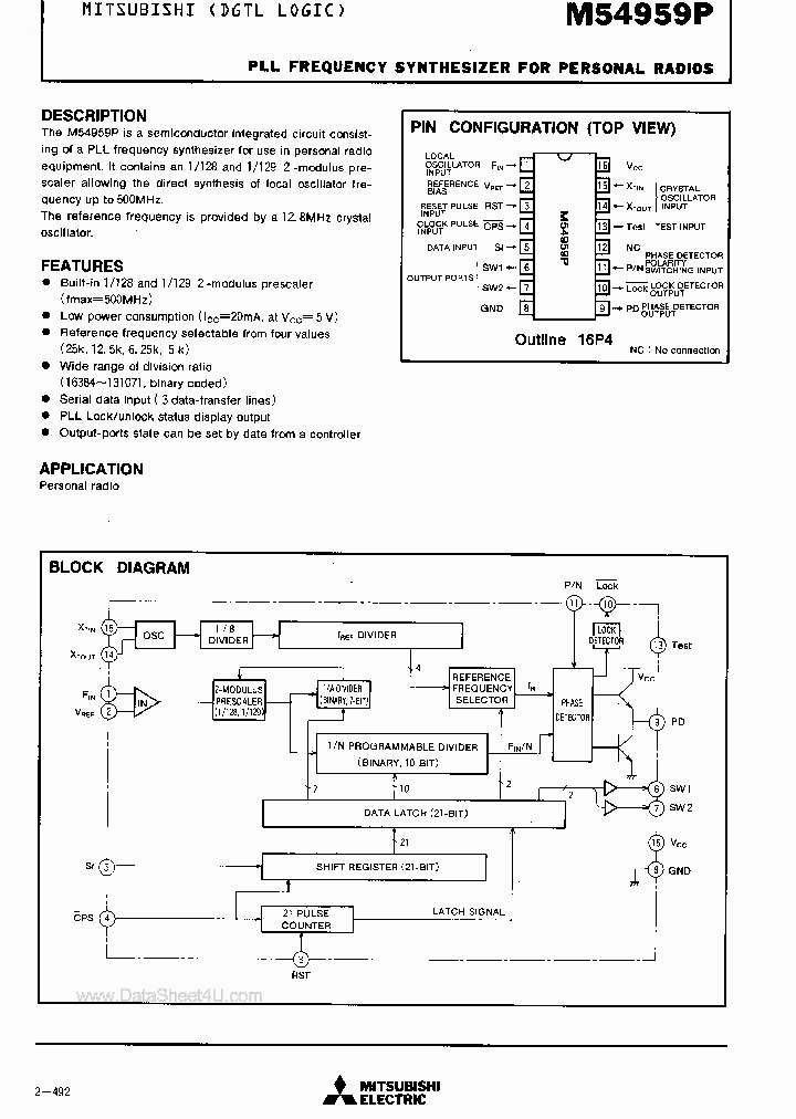
M54959P - PLL Frequency Synthesizer

M54959P_137259.PDF Datasheet


 Full text search : PLL Frequency Synthesizer
 Product Description search : PLL Frequency Synthesizer


 Related Part Number
PART Description Maker
BU2618 BU2618FV A5801023 Audio LSIs > High frequency signal processing > PLL frequency synthesizer
From old datasheet system
PLL frequency synthesizer for tuners
ROHM[Rohm]
Rohm CO.,LTD.
OPL-S-75 SPLL-58.5F SPLL-110F SPLL-472F SPLL-65F PLL FREQUENCY SYNTHESIZER, 75 MHz, QCC28 239
PLL FREQUENCY SYNTHESIZER, 58.5 MHz, QCC12
PLL FREQUENCY SYNTHESIZER, 110.04 MHz, QCC12
PLL FREQUENCY SYNTHESIZER, 472.77 MHz, QCC12
PLL FREQUENCY SYNTHESIZER, 65.04 MHz, QCC12
MERITEK Electronics, Corp.
MB15F78UL E421369 MB15F78ULPVA MB15F78ULPFT Dual Serial Input PLL Frequency Synthesizer
From old datasheet system
PLL Frequency Synthesizer with Internal Prescaler
FUJITSU[Fujitsu Media Devices Limited]
MB15F02SLPV1 MB15F02SLPFV1 Dual Serial Input PLL Frequency Synthesizer PLL FREQUENCY SYNTHESIZER, 1200 MHz, PBCC16
Fujitsu, Ltd.
Fujitsu Component Limited.
ADF4002BRUZ-RL7 ADF4002BCPZ-RL Phase Detector/Frequency Synthesizer PLL FREQUENCY SYNTHESIZER, 400 MHz, PDSO16
Phase Detector/Frequency Synthesizer PLL FREQUENCY SYNTHESIZER, 400 MHz, QCC20
Analog Devices, Inc.
UMA1018M UMA1018M-T PLL FREQUENCY SYNTHESIZER, 1250 MHz, PDSO20
Low-voltage dual frequency synthesizer for radio telephones
NXP Semiconductors
MC145146-2 MC145146P2 MC145146DW2 4 BIT DATA BUS INPUT BUS INPUT PLL FREQUENCY SYNTHESIZER PLL FREQUENCY SYNTHESIZER, 22 MHz, PDSO20
4-Bit Data Bus Input PLL Frequency Synthesizer
Motorola Mobility Holdings, Inc.
Motorola, Inc
ADF4212L ADF4212LBCP ADF4212L Dual Power PLL Frequency Synthesizer
ADF4212L: Dual Low Power PLL Frequency Synthesizer Data Sheet (Rev. A. 3/03)
Analog Devices
HPLL-8001 PLL Frequency Synthesizer(锁相环频率合成器)
PLL Frequency Synthesizer(????????????)
Agilent(Hewlett-Packard)
MC12202 MC12202D MC12202DT MC12202M MECL PLL COMPONENTS Serial Input PLL Frequency Synthesizer
Motorola, Inc
CPLL66-3475-3475 PLL/Synthesizer needing only an external frequency reference and supply voltages for the internal PLL (phase lock loop) and VCO
CRYSTEK CORPORATION
 
 Related keyword From Full Text Search System
M54959P circuit M54959P Control M54959P bridge M54959P Chip M54959P Semiconductors
M54959P fairchild M54959P max M54959P Engine M54959P phase M54959P purpose
 

 

Price & Availability of M54959P

All Rights Reserved © IC-ON-LINE 2003 - 2022  

[Add Bookmark] [Contact Us] [Link exchange] [Privacy policy]
Mirror Sites :  [www.datasheet.hk]   [www.maxim4u.com]  [www.ic-on-line.cn] [www.ic-on-line.com] [www.ic-on-line.net] [www.alldatasheet.com.cn] [www.gdcy.com]  [www.gdcy.net]


 . . . . .
  We use cookies to deliver the best possible web experience and assist with our advertising efforts. By continuing to use this site, you consent to the use of cookies. For more information on cookies, please take a look at our Privacy Policy. X
1.1288769245148