Part Number Hot Search : 
TDA7495S 1PMT4126 TC5082 3145RTV 300208A MS6333Q LM7000N 472M0
Product Description
Full Text Search

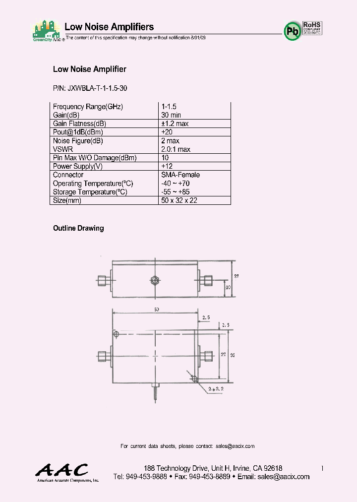
JXWBLA-T-1-15-30 - Low Noise Amplifier

JXWBLA-T-1-15-30_4548092.PDF Datasheet


 Full text search : Low Noise Amplifier
 Product Description search : Low Noise Amplifier


 Related Part Number
PART Description Maker
2SK117 E001317 From old datasheet system
LOW NOISE AUDIO AMPLIFIER APPLICATONS
N CHANNEL JUNCTIONS TYPE (LOW NOISE AUDIO AMPLIFIER APPLICATIONS)
Toshiba Semiconductor
FH103 1283 High-Frequency Low-Noise Amplifier/ Differential Amplifier Applications
NPN Epitaxial Planar Silicon Composite Transistor
From old datasheet system
High-Frequency Low-Noise Amplifier, Differential Amplifier Applications
Sanyo Electric Co.,Ltd.
SANYO[Sanyo Semicon Device]
OP-27EP OP-27GZ OP-27 OP-27AJ OP-27AZ OP-27BJ OP-2 LOW NOISE, PRECISION OPERATIONAL AMPLIFIER 低噪声,高精度运算放大器
Low Noise, Precision Operational Amplifier; Package: LCC:CER LEADLESS CHIP CARR; No of Pins: 20; Temperature Range: Military OP-AMP, 200 uV OFFSET-MAX, 8 MHz BAND WIDTH, PQCC20
Low Noise, Precision Operational Amplifier; Package: ROUND HEADER/METAL CAN; No of Pins: 8; Temperature Range: Military OP-AMP, 60 uV OFFSET-MAX, 8 MHz BAND WIDTH, MBCY8
4" CONN,COMP.,EMT,DC 低噪声,高精度运算放大器
LOW NOISE PRECISION OPERATIONAL AMPLIFIER
Analog Devices, Inc.
Linear Technology, Corp.
AD[Analog Devices]
SBFP540M Ultrahigh-Frequency Transistors
UHF to C Band Low Noise Amplifier, Low Phase Noise Oscillation Applications
Sanyo Semicon Device
SBFP420M UHF to C Band Low-Noise Amplifier Low Phase Noise Osc.Applications
SANYO[Sanyo Semicon Device]
2SC9014 PRE-AMPLIFIER, LOW LEVEL & LOW NOISE
PRE-AMPLIFIER/ LOW LEVEL & LOW NOISE
Transistors
PRE-AMPLIFIER, LOW LEVEL & LOW NOISE
Electronic Theatre Controls, Inc.
ETC
List of Unclassifed Manufacturers
USHA India LTD
INA-12063 INA-12063-TR1 INA-12063-BLK 1500 MHz RF/MICROWAVE WIDE BAND LOW POWER AMPLIFIER
1.5 GHz的低噪声自偏置晶体管放大
1.5 GHz Low Noise Self-Biased Transistor Amplifier
http://
ATR0610-PQQ ATR0610 2.7 V GPS LOW NOISE AMPLIFIER RF/MICROWAVE WIDE BAND LOW POWER AMPLIFIER
Atmel Corp.
ATMEL[ATMEL Corporation]
2N3799 PNP,Low Noise Amplifier Transistor(低噪声、放大器型PNP晶体
PNP LOW NOISE AMPLIFIER TRANSISTOR
PNP, LOW NOISE AMPLIFIER TRANSISTOR
TT electronics Semelab Limited
Semelab(Magnatec)
SEME-LAB[Seme LAB]
2N3799X PNP,Low Noise Amplifier Transistor(低噪声、放大器型PNP晶体
PNP LOW NOISE AMPLIFIER TRANSISTOR
PNP, LOW NOISE AMPLIFIER TRANSISTOR
TT electronics Semelab Limited
Semelab(Magnatec)
SEME-LAB[Seme LAB]
 
 Related keyword From Full Text Search System
JXWBLA-T-1-15-30 isa bus JXWBLA-T-1-15-30 Volt JXWBLA-T-1-15-30 differential JXWBLA-T-1-15-30 Pass JXWBLA-T-1-15-30 standard
JXWBLA-T-1-15-30 Address JXWBLA-T-1-15-30 vsen gate JXWBLA-T-1-15-30 21 ic on line JXWBLA-T-1-15-30 channel JXWBLA-T-1-15-30 register
 

 

Price & Availability of JXWBLA-T-1-15-30

All Rights Reserved © IC-ON-LINE 2003 - 2022  

[Add Bookmark] [Contact Us] [Link exchange] [Privacy policy]
Mirror Sites :  [www.datasheet.hk]   [www.maxim4u.com]  [www.ic-on-line.cn] [www.ic-on-line.com] [www.ic-on-line.net] [www.alldatasheet.com.cn] [www.gdcy.com]  [www.gdcy.net]


 . . . . .
  We use cookies to deliver the best possible web experience and assist with our advertising efforts. By continuing to use this site, you consent to the use of cookies. For more information on cookies, please take a look at our Privacy Policy. X
1.1518199443817