Part Number Hot Search : 
PIC16C83 153M25V6 IRLR120A RCA1001 R2080 M74HC74 2N60A BUL38
Product Description
Full Text Search

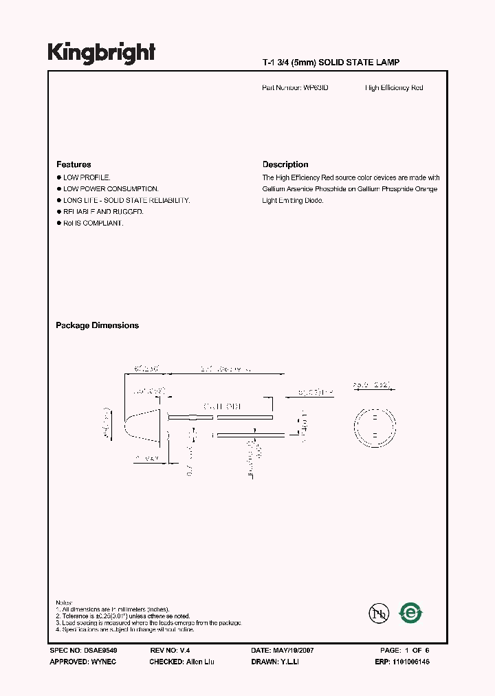
WP63ID - T-1 3/4 (5mm) SOLID STATE LAMP

WP63ID_4212262.PDF Datasheet


 Full text search : T-1 3/4 (5mm) SOLID STATE LAMP
 Product Description search : T-1 3/4 (5mm) SOLID STATE LAMP


 Related Part Number
PART Description Maker
WP7083QBD-D T-1 3/4 (5mm) SOLID STATE LAMP
Kingbright Corporation
WP7083ZGD-G T-1 3/4 (5mm) Solid State Lamp
Kingbright Corporation
LUG56D T-1 3/4 (5mm) SOLID STATE LAMP
SunLED Corporation
WP63SRD-15 T-1 3/4(5mm) SOLID STATE LAMP
Kingbright Corporation
LUS12D T-1 3/4 (5mm) SOLID STATE LAMP
SunLED Corporation
WP63SRC T-1 3/4 (5mm) SOLID STATE LAMP
Kingbright Corporation
LUR12W T-1 3/4 (5mm) SOLID STATE LAMP
SunLED Corporation
WP7083ZGD-G-15 T-1 3/4 (5mm) SOLID STATE LAMP
Kingbright Corporation
LUG12W T-1 3/4 (5mm) SOLID STATE LAMP
SunLED Corporation
WP57GGD T-1 3/4 (5mm) SOLID STATE LAMP
KINGBRIGHT[Kingbright Corporation]
 
 Related keyword From Full Text Search System
WP63ID Emitter WP63ID sanyo WP63ID 技术参数 WP63ID 资料网站 WP63ID 资料
WP63ID data WP63ID text WP63ID download WP63ID asynchronous WP63ID converter
 

 

Price & Availability of WP63ID

All Rights Reserved © IC-ON-LINE 2003 - 2022  

[Add Bookmark] [Contact Us] [Link exchange] [Privacy policy]
Mirror Sites :  [www.datasheet.hk]   [www.maxim4u.com]  [www.ic-on-line.cn] [www.ic-on-line.com] [www.ic-on-line.net] [www.alldatasheet.com.cn] [www.gdcy.com]  [www.gdcy.net]


 . . . . .
  We use cookies to deliver the best possible web experience and assist with our advertising efforts. By continuing to use this site, you consent to the use of cookies. For more information on cookies, please take a look at our Privacy Policy. X
2.4636449813843